

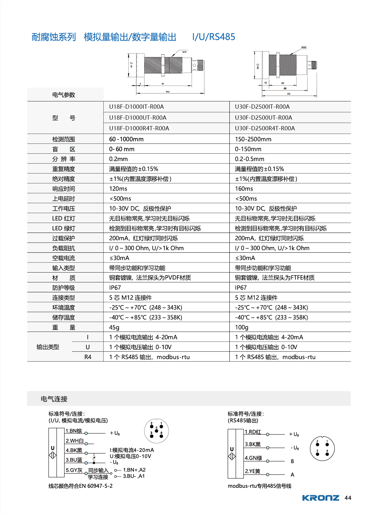
U18F-D1000IT-R00A
耐腐蚀系列
Ultrasonic Sensors
Ultrasonic Sensors
- 外形:M18
- 检测范围:60-1000mm
- 输出类型:模拟量输出4 mA ... 20 mA
- 使用电压:10-30VDC
- 连接方式:M12连接头
- 外壳材质:黄铜镀镍,探头PVDF材质
- 技术特点
- 尺寸
- 连接
- 其它
- ued官网体育(广州)电子有限公司
- 地址:
- 电话:020-3298 1980
- 邮箱:88888888
























粤公网安备 44011802000815号






