

YM4-2F4/L14A
T型分配器/Y型分配器
- 外形:M12 Y型 分支器
- 类型:针,M12x1,孔 x2,M12x1,标准型
- 码制:A-CODE
- 针脚:4pin
- 电流:4A
- 电压:250V
- 技术特点
- 尺寸
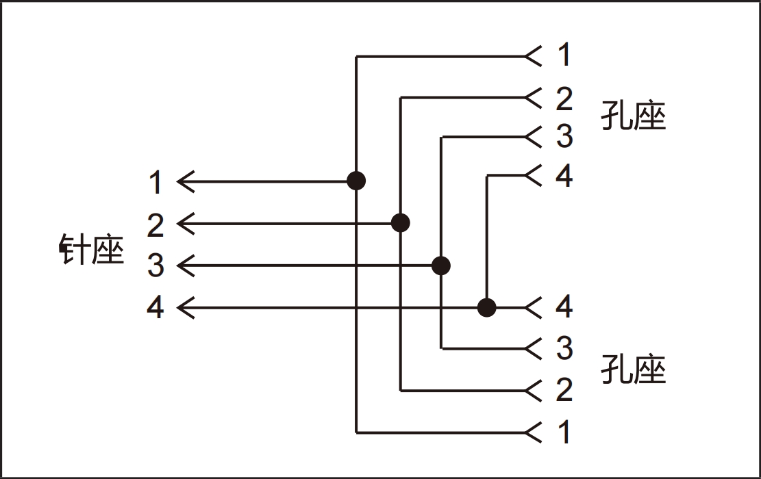
- 连接
- 其它
| 技术参数 | |
|---|---|
| 执行标准 | IEC 61076-2-101 |
| 连接螺母材料 | 合金,铜锌,镀镍 |
| 触点材料 | 合金,铜锌,镀金 |
| 触头载体材料 | 塑料, PA, 黑色 |
| 夹紧基体材料 | 塑料,TPU, 黑色 |
| 密封材料 | FPM/FKM |
| 绝缘阻抗 | ≥ 100MΩ |
| 接触阻抗 | ≤ 5mΩ |
| 污染等级 | 3 |
| 使用环境温度 | -25~+85℃ |
| 机械寿命周期 | >100 插拔次数 |
| 防护等级 | IP67 |
- ued官网体育(广州)电子有限公司
- 地址:
- 电话:020-3298 1980
- 邮箱:88888888
























粤公网安备 44011802000815号






