

BFN-10P
光纤传感器
BFN-10 系列 数字光纤传感器
- 超低功耗精密电路设计 , 大幅减少热量 , 延缓老化
- 高效抗干扰算法,有效降低外界光影响
- GTM 自动阈值控制,受光量与阈值实时调整,保证传感器长时间稳定工作
- 支持 4 台设备相互通讯抗干扰,解决狭小空间相互干扰问题
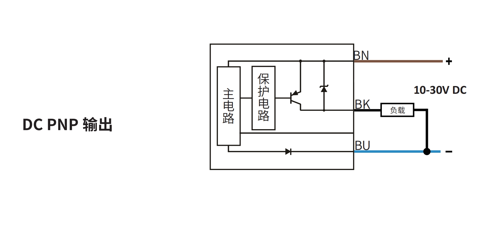
- 技术特点
- 尺寸
- 连接
- 其它
| 光源 | 红色 LED(波长 630nm) |
| 反应时间 | 50μs(H101)、250μs(H102)、500μs(H103)、1ms(H104) |
| 输出方式 | 滑动开关切换:受光模式 (LIGHT ON)、避光模式 (DARK ON) |
| 保护电路 | 电源反接保护、输出浪涌保护、输出反接保护、输出过流保护 |
| 控制输出: | |
|---|---|
| NPN | 外加电压:30V DC 以下 (检测输出-0V间) 最大输出电流:300mA;剩余电压:2V以下 |
| PNP | 外加电压:30V DC 以下 (检测输出-+0V间) 最大输出电流:100mA;剩余电压:2V以下 |
| 计时功能/范围 | 延时关闭、延时开启、单次计时、开启关闭、开启单次;调整范围 :1-9999ms |
| 额定值: | |
| NPN | 常规:最大 900mW(24V 时,最大 32mA;13V 时,最大 47mA) |
| PNP | 常规:最大 900mW(24V 时,最大 36mA;13V 时,最大 50mA) |
| 相互抗干扰 | F0、F1、F2、F3 四路抗干扰 |
| 实时功能 | 参数初始化 / 按键锁定 / 阀值两点、全自动和手动设定、快捷饱和衰减 |
| 电源电压 | 10 至 30VDC 士 10%、纹波 (P-P)10% 以下 |
| 消耗功率 | < 870 mw |
| 外部输入 | 不使用/外部示教/保持/归零功能/激光关闭 可切换 |
| 环境光度 | 白炽灯:最大 200001ux,阳光:最大 30000lux |
| 环境温度 | -20℃至 +55℃ |
| 环境湿度 | 35 至 85%RH |
| 耐震动 | 10~50Hz 双振幅 1.5mm X、Y、Z 各方向 2 小时 |
| 耐撞击 | 约 50G(500m/s²)X、Y、Z 各方向 3 次 |
| 外壳材质 | 聚碳酸酯 |
| 重量 | 约 90g(包含 2m 线缆) |
| 尺寸 | L×W×H: 84.5×11×34mm |


- ued官网体育(广州)电子有限公司
- 地址:
- 电话:020-3298 1980
- 邮箱:88888888
























粤公网安备 44011802000815号






