

BCW70-4P
颜色传感器
BCW70 系列 白色光点 - 颜色传感器
- 小型、小光点
- 节省空间 , 支持小型工件
- 通用的安装间距
- 配备清晰显示器,可一目了然地确认检测状态
- 技术特点
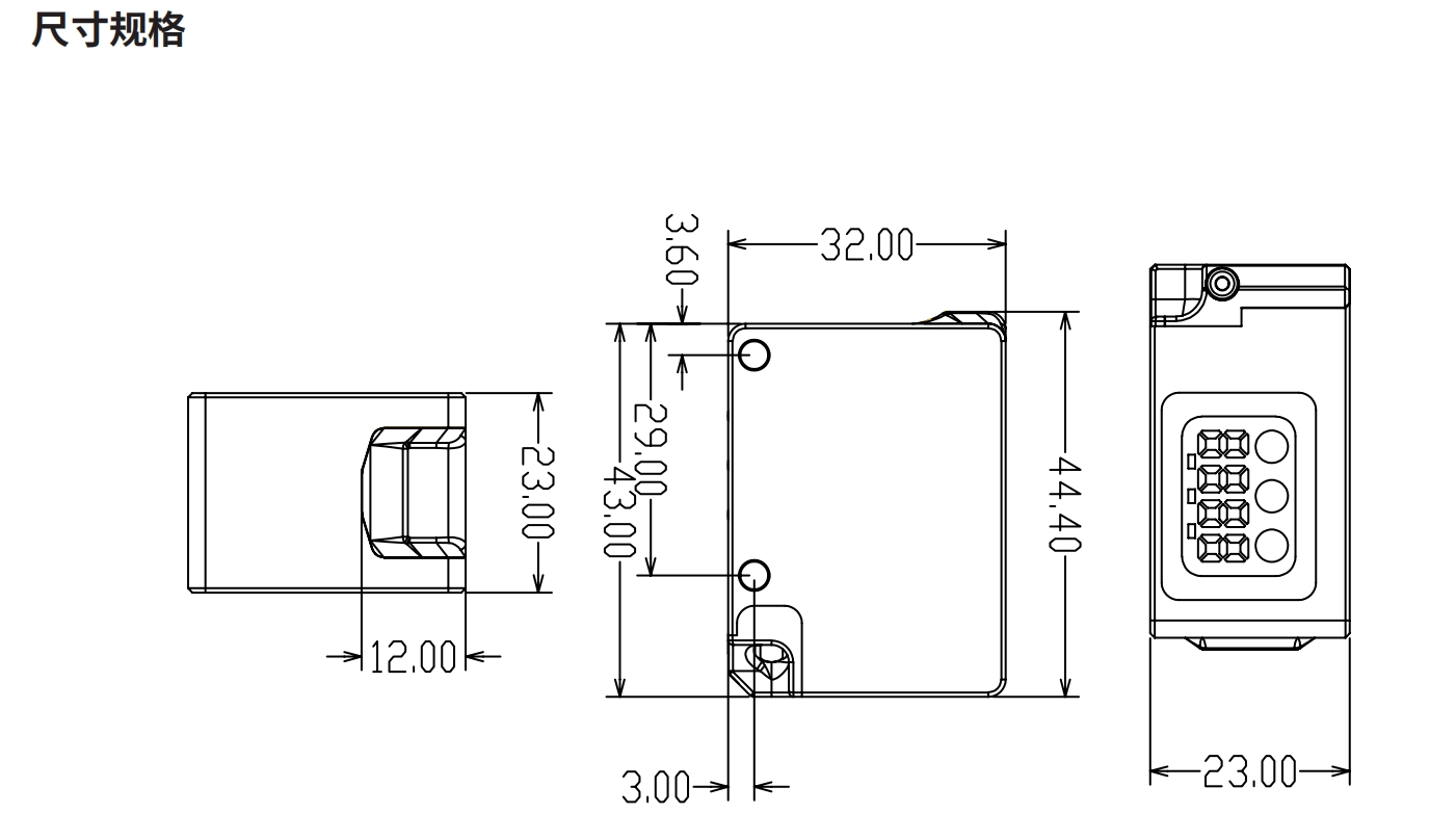
- 尺寸
- 连接
- 其它
| 检测距离 | 30-150mm 远距离 |
| 反应时间 | <1ms |
| 类型 | 1个输出口,配备短路保护,配备自动防任何干扰功能 |
| 控制输出 | PNP:开开放式集电极输出 24V,最大 100mA( 只限于主部件)消耗电流最大 40mA(当扩展部件连接时,残余电压:2V) |
| 延时功能 | 断开延时计时器/开启延时计时器/单次计时器/开启延时单次计时器,可选择。计显示器在持续时间可选择:1ms 至 9999ms |
| 输出选择 | LIGHT-ON/DARK-ON(按键菜单选择) |
| 反应时间 | AUTO,C 及 CI 模式 200μs,MARK 下为 160μs |
| 电源 | 12 至 24VDC±10% 之间,浮动比率(P-P): 最大 10% 等级 2 |
| 光源 | 2个白光 LED ,最小光斑在 50MM 处为 1.5*3MM |
| 指示灯 | 操作指示灯:红色发光二极管、LED 屏显示 |
| 消耗功率 | 最大电压:24V,电流 60MA 以内 |
| 环境光度 | 白炽灯:最大:20,000lux, 日光:最大:30,000lux |
| 环境温度 -10 至 +55℃,无冻结 | |
|---|---|
| 耐振动性 | 10 至 55Hz,双重振幅:1.5mm,X,Y,Z 轴分别是 2 小时 |
| 连接方式 | 导线引出式 |


- ued官网体育(广州)电子有限公司
- 地址:
- 电话:020-3298 1980
- 邮箱:88888888
























粤公网安备 44011802000815号






