

BQ24-D30N
光电传感器系列
BQ24 系列
BQ24 系列
微型- 光电传感器
- • 超小机身,体积小,可灵活安装
- • 可见红光光源,方便安装调试
- • 采用独特的稳定检测算法
- • 备有固定距离和可调距离两种类型,可根据应用需求选择
- 技术特点
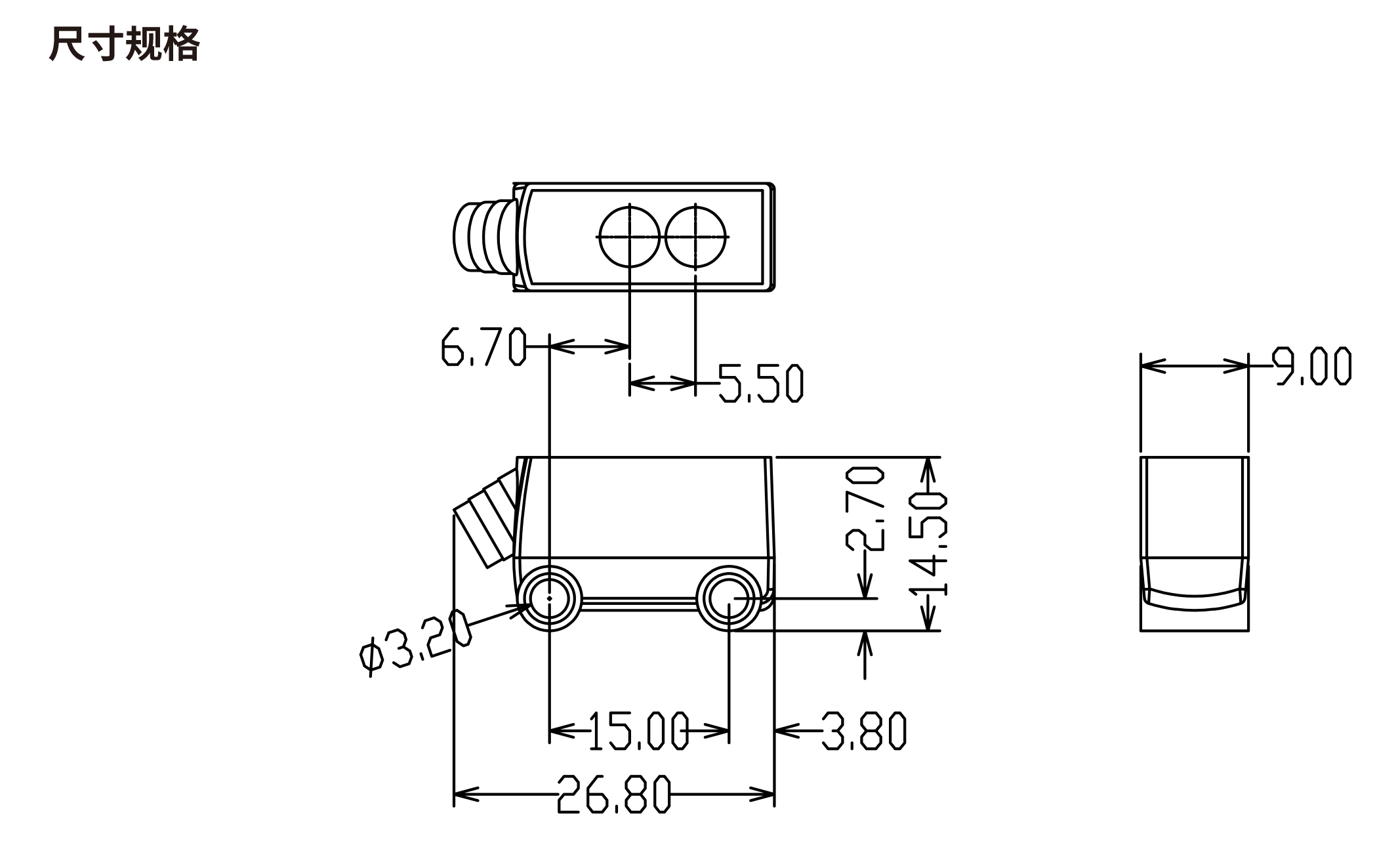
- 尺寸
- 连接
- 其它
| 检测距离 | 0-30mm(固定距离) |
| 反应时间 | < 1ms |
| 类型 | NPN为2个输出 |
| 控制输出 | NPN/PNP 开开放式集电极输出24V,最大70mA( 只限于主部件) 残余电压:1V |
| 输出选择 | NPN: 黑线常开输出,白线常闭输出 |
| 输出功能 | 配备短路保护,配备自动防任何干扰功能 |
| 电源 | 12 至24VDC±10% 之间,浮动比率(P-P): 最大10% 等级2 |
| 光源 | 红光635NM,4 元素发光二极管体 |
| 指示灯 | 绿色LED 指示灯表示电源指示灯,红色LED 表示输出 |
| 消耗功率 | 标准模式:最大300mW, 最大电压:24V |
| 环境光度 | 白炽灯:最大:20,000lux, 日光:最大:30,000lux |
| 环境温度 | -10 至+55℃,无冻结 |
| 耐振动性 | 10 至55Hz,双重振幅:1.5mm,X,Y,Z 轴分别是2 小时 |
| 连接方式 | 导线引出式, 线缆连接 |


- ued官网体育(广州)电子有限公司
- 地址:
- 电话:020-3298 1980
- 邮箱:88888888
























粤公网安备 44011802000815号






