

KD50系列-激光位移传感器
位移传感器
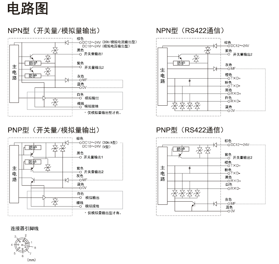
- KD50-L正反射型传感器适用于高反射性透明物体检测,提供RS422通信型。
- 内置模拟输出(4-20mA 或0-10V)和2个开关量输出,无需连接控制器独立工作。
- KD50系列采用CMOS感光元器件
- RS-422通信型产品可选
- 外壳设计轻巧紧凑
- 技术特点
- 尺寸
- 连接
- 其它
.jpg)
.jpg)
.jpg)
.jpg)
.jpg)
- ued官网体育(广州)电子有限公司
- 地址:
- 电话:020-3298 1980
- 邮箱:88888888
























粤公网安备 44011802000815号






